Rainson HDPE Electrofusion Elbow is a type of pipe fitting used to join HDPE pipe at 90 degree. This Elbow fitting is joined by electrofusion welding which uses electrofusion welding machine. HDPE Electrofusion Elbow Fittings are used to make changes in a pipeline. This fitting is widely used in industrial and private sectors. This fitting is also suitable for pipelines that are used for water, gas, electricity, etc. HDPE Electrofusion Elbows are used when anyone join two Pipes at angle. In this case, an electrofusion elbow is used which joins the two pipes at 90 degree. In addition, electrofusion elbow fittings are suitable for plastic pipes that are used for large projects in nearby rural areas and remote areas.
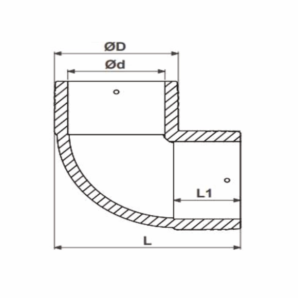
| Product Code | Ød - Size (mm) | ØD (mm) | L -LENGTH | L1 (mm) |
|---|---|---|---|---|
| EFE63 | 63 | 83 | 120 | 50 |
| EFE75 | 75 | 95 | 147 | 60 |
| EFE90 | 90 | 113 | 170 | 65 |
| EFE110 | 110 | 137 | 202 | 75 |
| EFE125 | 125 | 152 | 223 | 80 |
| EFE140 | 140 | 168 | 253 | 84 |
| EFE160 | 160 | 188 | 268 | 92 |
| EFE180 | 180 | 215 | 307 | 94 |
| EFE200 | 200 | 236 | 363 | 95 |
| EFE225 | 225 | 263 | 225 | KIT |
| EFE250 | 250 | 288 | 245 | KIT |
| EFE280 | 280 | 327 | 254 | KIT |
| EFE315 | 315 | 366 | 268 | KIT |
| EFE355 | 355 | 411 | 271 | KIT |
| EFE400 | 400 | 463 | 323 | KIT |