Rainson HDPE Spigot Reducer is an important type of pipe fitting used in High-Density Polyethylene (HDPE) piping systems. It is designed to facilitate the transition from one pipe size to a smaller one or vice versa, allowing for the smooth and efficient flow of fluids through the pipeline. The reducer features a larger diameter spigot end and a smaller diameter socket end, ensuring a secure and leak-free connection when joined to the corresponding HDPE pipes. Manufactured from high-quality HDPE material, the spigot reducer exhibits excellent strength, chemical resistance, and UV resistance, making it suitable for a wide range of applications, including water supply, sewage systems, industrial processes, and more. Its lightweight construction and ease of installation contribute to cost-effective and efficient pipeline setups.
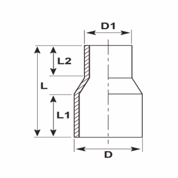
| Product Code | D (mm) | D1 (mm) | L (mm) | L1 (mm) | L2 (mm) |
|---|---|---|---|---|---|
| HSR7563 | 75 | 63 | 173 | 70 | 63 |
| HSR9063 | 90 | 63 | 197 | 79 | 63 |
| HSR9075 | 90 | 75 | 196 | 79 | 70 |
| HSR11063 | 110 | 63 | 213 | 82 | 63 |
| HSR11075 | 110 | 75 | 212 | 82 | 70 |
| HSR11090 | 110 | 90 | 213 | 82 | 79 |
| HSR12563 | 125 | 63 | 225 | 87 | 63 |
| HSR12575 | 125 | 75 | 221 | 87 | 70 |
| HSR12590 | 125 | 90 | 219 | 87 | 79 |
| HSR125110 | 125 | 110 | 220 | 87 | 82 |
| HSR14063 | 140 | 63 | 228 | 92 | 63 |
| HSR14075 | 140 | 75 | 226 | 92 | 70 |
| HSR14090 | 140 | 90 | 226 | 92 | 79 |
| HSR140110 | 140 | 110 | 226 | 92 | 82 |
| HSR140125 | 140 | 125 | 224 | 92 | 87 |
| HSR16063 | 160 | 63 | 249 | 98 | 63 |
| HSR16075 | 160 | 75 | 247 | 98 | 70 |
| HSR16090 | 160 | 90 | 246 | 98 | 79 |
| HSR160110 | 160 | 110 | 245 | 98 | 82 |
| HSR160125 | 160 | 125 | 243 | 98 | 87 |
| HSR160140 | 160 | 140 | 241 | 98 | 92 |
| HSR18063 | 180 | 63 | 255 | 105 | 63 |
| HSR18075 | 180 | 75 | 258 | 105 | 70 |
| HSR18090 | 180 | 90 | 255 | 105 | 79 |
| HSR180110 | 180 | 110 | 251 | 105 | 82 |
| HSR180125 | 180 | 125 | 251 | 105 | 87 |
| HSR180140 | 180 | 140 | 250 | 105 | 92 |
| HSR180160 | 180 | 160 | 250 | 105 | 98 |
| HSR20063 | 200 | 63 | 278 | 112 | 63 |
| HSR20075 | 200 | 75 | 280 | 112 | 70 |
| HSR20090 | 200 | 90 | 277 | 112 | 79 |
| HSR200110 | 200 | 110 | 278 | 112 | 82 |
| HSR200125 | 200 | 125 | 280 | 112 | 87 |
| HSR200140 | 200 | 140 | 277 | 112 | 92 |
| HSR200160 | 200 | 160 | 278 | 112 | 98 |
| HSR200180 | 200 | 180 | 273 | 112 | 105 |
| HSR22590 | 225 | 90 | 280 | 120 | 79 |
| HSR225110 | 225 | 110 | 284 | 120 | 82 |
| HSR225125 | 225 | 125 | 284 | 120 | 87 |
| HSR225140 | 225 | 140 | 283 | 120 | 92 |
| HSR225160 | 225 | 160 | 278 | 120 | 98 |
| HSR225180 | 225 | 180 | 279 | 120 | 105 |
| HSR225200 | 225 | 200 | 278 | 120 | 112 |
| HSR25090 | 250 | 90 | 300 | 130 | 79 |
| HSR250110 | 250 | 110 | 302 | 130 | 82 |
| HSR250125 | 250 | 125 | 302 | 130 | 87 |
| HSR250140 | 250 | 140 | 301 | 130 | 92 |
| HSR250160 | 250 | 160 | 299 | 130 | 98 |
| HSR250180 | 250 | 180 | 296 | 130 | 105 |
| HSR250200 | 250 | 200 | 298 | 130 | 112 |
| HSR250225 | 250 | 225 | 296 | 130 | 120 |
| HSR28090 | 280 | 90 | 349 | 139 | 79 |
| HSR280110 | 280 | 110 | 322 | 139 | 87 |
| HSR280125 | 280 | 125 | 346 | 139 | 87 |
| HSR280140 | 280 | 140 | 324 | 139 | 87 |
| HSR280160 | 280 | 160 | 346 | 139 | 98 |
| HSR280180 | 280 | 180 | 346 | 139 | 105 |
| HSR280200 | 280 | 200 | 343 | 139 | 112 |
| HSR280225 | 280 | 225 | 346 | 139 | 120 |
| HSR280250 | 280 | 250 | 345 | 139 | 130 |
| HSR31590 | 315 | 90 | 370 | 150 | 79 |
| HSR315125 | 315 | 125 | 368 | 150 | 87 |
| HSR315140 | 315 | 140 | 368 | 150 | 92 |
| HSR315160 | 315 | 160 | 368 | 150 | 98 |
| HSR315180 | 315 | 180 | 366 | 150 | 105 |